Оказываем профессиональные услуги по снятию и установке дизельных форсунок.
Работа по снятию и установке форсунок состоит из нескольких основных действий, таких как:
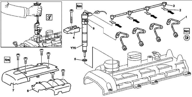
- Извлечение инжектора (форсунки). Не всегда данная работа осуществляется легко. Чаще всего форсунку извлечь без особых навыков и инструмента не удается. Если форсунки ранее снимались и при этом не были соблюдены требования по установке стоит ожидать "прикипания" форсунки к двигателю. В таком случае форсунку извлекают различными съемниками. Каждый случай индивидуален и требует особого подхода. Нередко приходится изготавливать дополнительный инструмент индивидуально для определенной проблемной форсунки.
- Очистка гнезда форсунки от постороннего мусора, накипи, сажи.
- Фрезеровка посадочного места под форсунку. Как говорилось выше, в следствие не соблюдения элементарных правил установки форсунок на двигатель происходит прогорание посадочного места. Нарушается соединение "форсунка-двигатель", газы из камеры сгорания прорываются наружу. Появляется неприятный запах, иногда сопровождается характерным "фырканьем". В таких случаях проблема не герметичности посадочного места решается фрезеровкой (выравниванием) колодцев форсунок. Данная работа требует определенных навыков и необходимого профессионального инструмента.
- Окончательная очистка гнезда форсунки, контрольный осмотр.
- При необходимости происходит замена стяжных болтов.
- В случае повреждения резьбового соединения в двигателе осуществляется восстановление резьбы путем установки "ввертыша", после чего форсунка вновь притягивается родным болтом. Никаких шпилек!
- Очистка форсунки от нагара. В случае прогара гайки распылителя форсунки - замена гайки.
- Установка форсунки в двигатель.
Поскольку работа по снятию и установке форсунок приводит к разгерметизации топливной системы - всю работу необходимо проводить с соблюдением абсолютной чистоты.
В тех случаях когда двигатель комплектуется форсунками от производителя Delphi, необходимо производить дополнительные манипуляции для правильного запуска форсунок после разгерметизации.
Эту работу и множество других, связанных с обслуживанием дизельных топливных систем Common Rail Вы можете доверить нам. Качество оказанных услуг порадует Вас!


